新聞資訊
News information
聯系我們
廈門科昊自動化有限公司
電 話:0592-3191333
聯系電話:13606082135(微信同號,備注“科昊儀表”)
傳 真:0592-3265129
網 址:m.sdxinyi100.com
公司地址:廈門市湖里區火炬高新區創業園偉業樓南樓S305E
醫藥GSP倉庫溫濕度監控系統
一、無線溫濕度變送器與服務器的連接示意圖
現場安裝無線溫濕度變送器,無線信號接收器,把信號傳輸到計算機上,通過廈門科昊DCS溫濕度監控軟件,在軟件中實時顯示,記錄。
二、廈門科昊DCS監控軟件
1.顯示界面截取圖

2.概貌顯示

變化曲線顯示

數據存盤
三、方案說明
由于倉庫現場原因,我司選擇用無線溫濕度監控形式,對懷德居GSP倉庫進行溫濕度監控。該監控方案分為三部分,現場無線溫濕度變送器采集現場溫濕度、無線溫濕度與接收器的傳輸、DCS軟件對溫濕度數據的顯示與記錄。
無線溫濕度變送器
主要特點1.本產品是一種全數字化無線溫濕度變送器,主要應用于藥品、食品工業、氣象環境、博物館、圖書館、庫房、機房的監測及工程自動化過程監測、科研等領域。
2.安全性高:內置看門狗,系統運行可靠。
3.有線傳輸:采用標準RS485接口,僅需要兩根信號線就可建立起一個多點的分布式網絡,通訊協議采用標準MODBUS-RTU協議,可與常見的DCS、HMI、PLC及其它智能設備進行通訊。
4.無線傳輸:利用現有的220V市電網絡即可組成無線通訊網絡,支持標準MODBUS-RTU協議;空曠傳輸距離可達1500米,載頻433MHz,ISM頻段無需申請,支持多個信道,多組模塊同時傳輸不會產生干擾。
5.全數字化:使用原裝進口數字式溫濕度傳感器,測量精度一致性好,穩定可靠。
6.多種安裝形式可選:管道式和壁掛式。
技術指標
溫度分辨率:0.01 ℃
濕度分辨率:0.1%RH
響應時間:8s
溫度采樣周期:2S
測量范圍:濕度0~100%RH,溫度-40~+120℃
精確度:溫度±0.5℃,濕度±4.5%RH(客戶若需要更高的精度,請與本公司聯系)
通訊波特率:默認9600bps
電源電壓:+5VDC
電源功耗:<1.0W
工作溫度:-25~75℃
存儲溫度:-45~85℃
相對溫度:5~90%,無冷凝
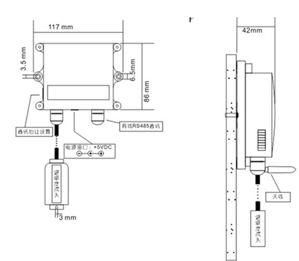
安裝方式及接線方式如下:
壁掛式安裝:固定墻面 尺寸:79.5*86*42(長* 寬*高)

產品選型及地址代碼說明

注:讀命令功能代碼:Ox03,寫命令功能代碼:Ox06,連續寫命令功能代碼:Ox10,通訊地址為:廣播地址255,萬用地址254(用于設置模塊參數),預留地址253.
四、DCS軟件
本公司根據多年的研發經驗,開發一套獨立的溫濕度監控軟件,方便客戶的監測,瀏覽歷史數據和打印的軟件,本軟件具備一下功能
1、操作界面圖形化,操作過程簡單、直觀,用戶只需經簡單培訓即可操作;
2、 以表格和曲線方式的顯示各監控點實時測量值。
3、 以表格和曲線方式的顯示各監控點的歷史數據。
4、 可查詢任意一天、一月、一年的數據,并可進行表格和圖形方式顯示和打印。
5、 可設置各監控點的上下限報警值。并記錄報警值,可查詢報警歷史記錄
6、 當被測量值超過上下限報警值時,可通過聲光報警報警,也可發送短信到終端用戶的手機上
7、 操作人員需授權才可查詢歷史數據,進行數據分析、打印等操作
五、現場安裝
1.無線溫濕度變送器的安裝
無線溫濕度變送器在倉庫現場安裝,最好外置電源DC5V來提供溫濕度變送器電壓,以保證無線溫濕度變送器不因電壓不足而非正常工作,并且使得無線傳輸信號穩定。(內置電源也可正常工作)
2.無線接收器
無線接收器可通過USB接口與計算機連接,把無線通訊數據傳輸到計算機,使得DCS軟件能夠連續接收。
安裝要求:可放置在辦公室外墻上,保證無線傳輸信號的穩定。
3.計算機的配置要求
計算機配置要求至少能夠正常快速辦公,使得軟件能最優化運行
4.打印機
DCS軟件可以有數據儲存功能,曲線顯示功能以達到庫房溫濕度的變化監控,故可通過連接打印機把數據或曲線打印出來。
一、無線溫濕度變送器與服務器的連接示意圖

現場安裝無線溫濕度變送器,無線信號接收器,把信號傳輸到計算機上,通過廈門科昊DCS溫濕度監控軟件,在軟件中實時顯示,記錄。
二、廈門科昊DCS監控軟件
1.顯示界面截取圖

2.概貌顯示

變化曲線顯示

數據存盤
三、方案說明
由于倉庫現場原因,我司選擇用無線溫濕度監控形式,對懷德居GSP倉庫進行溫濕度監控。該監控方案分為三部分,現場無線溫濕度變送器采集現場溫濕度、無線溫濕度與接收器的傳輸、DCS軟件對溫濕度數據的顯示與記錄。
無線溫濕度變送器
主要特點
1.本產品是一種全數字化無線溫濕度變送器,主要應用于藥品、食品工業、氣象環境、博物館、圖書館、庫房、機房的監測及工程自動化過程監測、科研等領域。
2.安全性高:內置看門狗,系統運行可靠。
3.有線傳輸:采用標準RS485接口,僅需要兩根信號線就可建立起一個多點的分布式網絡,通訊協議采用標準MODBUS-RTU協議,可與常見的DCS、HMI、PLC及其它智能設備進行通訊。
4.無線傳輸:利用現有的220V市電網絡即可組成無線通訊網絡,支持標準MODBUS-RTU協議;空曠傳輸距離可達1500米,載頻433MHz,ISM頻段無需申請,支持多個信道,多組模塊同時傳輸不會產生干擾。
5.全數字化:使用原裝進口數字式溫濕度傳感器,測量精度一致性好,穩定可靠。
6.多種安裝形式可選:管道式和壁掛式。
技術指標
溫度分辨率:0.01 ℃
濕度分辨率:0.1%RH
響應時間:8s
溫度采樣周期:2S
測量范圍:濕度0~100%RH,溫度-40~+120℃
精確度:溫度±0.5℃,濕度±4.5%RH(客戶若需要更高的精度,請與本公司聯系)
通訊波特率:默認9600bps
電源電壓:+5VDC
電源功耗:<1.0W
工作溫度:-25~75℃
存儲溫度:-45~85℃
相對溫度:5~90%,無冷凝
安裝方式及接線方式如下:
壁掛式安裝:固定墻面 尺寸:79.5*86*42(長* 寬*高)

產品選型及地址代碼說明

注:讀命令功能代碼:Ox03,寫命令功能代碼:Ox06,連續寫命令功能代碼:Ox10,通訊地址為:廣播地址255,萬用地址254(用于設置模塊參數),預留地址253.
四、DCS軟件
本公司根據多年的研發經驗,開發一套獨立的溫濕度監控軟件,方便客戶的監測,瀏覽歷史數據和打印的軟件,本軟件具備一下功能
1、操作界面圖形化,操作過程簡單、直觀,用戶只需經簡單培訓即可操作;
2、 以表格和曲線方式的顯示各監控點實時測量值。
3、 以表格和曲線方式的顯示各監控點的歷史數據。
4、 可查詢任意一天、一月、一年的數據,并可進行表格和圖形方式顯示和打印。
5、 可設置各監控點的上下限報警值。并記錄報警值,可查詢報警歷史記錄
6、 當被測量值超過上下限報警值時,可通過聲光報警報警,也可發送短信到終端用戶的手機上
7、 操作人員需授權才可查詢歷史數據,進行數據分析、打印等操作
五、現場安裝
1.無線溫濕度變送器的安裝
無線溫濕度變送器在倉庫現場安裝,最好外置電源DC5V來提供溫濕度變送器電壓,以保證無線溫濕度變送器不因電壓不足而非正常工作,并且使得無線傳輸信號穩定。(內置電源也可正常工作)
2.無線接收器
無線接收器可通過USB接口與計算機連接,把無線通訊數據傳輸到計算機,使得DCS軟件能夠連續接收。
安裝要求:可放置在辦公室外墻上,保證無線傳輸信號的穩定。
3.計算機的配置要求
計算機配置要求至少能夠正常快速辦公,使得軟件能最優化運行
4.打印機
DCS軟件可以有數據儲存功能,曲線顯示功能以達到庫房溫濕度的變化監控,故可通過連接打印機把數據或曲線打印出來。
下一篇:溫濕度記錄儀在倉庫藥房的不同布控方案

